Bahagian Utama Motor Dc - Motor dc memiliki 3 bagian atau komponen utama untuk dapat berputar sebagai berikut.

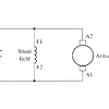
Bahagian Utama Motor Dc - Motor dc memiliki 3 bagian atau komponen utama untuk dapat berputar sebagai berikut.. Motor dc memiliki 3 bagian atau komponen utama untuk dapat berputar sebagai berikut. Motor dc memiliki 3 bagian utama untuk berputar antara lain: Gambar rajah berikut menunjukkan motor dc dwikutub ringkas dengan berus. Bahagian utama motor elektrik termasuk stator dan pemutar, satu siri gear atau tali pinggang, dan galas untuk mengurangkan geseran. Motor dc, atau dalam istilah lain disebut motor arus searah, merupakan suatu perangkat yang sebenarnya ada di sekitar kita.

Motor dc memiliki 3 bagian atau komponen utama untuk dapat berputar sebagai berikut. Bagian utama roda sepeda motor. Rangka atau gandar, kutub medan, sikat arang, jumparan medan, jangkar, kumparan jangkar, celah udara, dan. Motor listrik dc atau dc motor ini menghasilkan sejumlah putaran per menit atau biasanya dikenal dengan istilah rpm (revolutions per terdapat dua bagian utama pada sebuah motor listrik dc, yaitu stator dan rotor. Hasilnya adalah bahwa pada dasarnya ada tiga jenis motor dc yang tersedia.

Pengertian Motor Dc Komponen Fungsi Dan Jenis Jenisnya Lengkap
Pengertian Motor Dc Komponen Fungsi Dan Jenis Jenisnya Lengkap from sinaupedia.com
Komutator merupakan salah satu alat yang paling penting dalam motor dc sehingga. Berus karbon diperbuat daripada karbon, dipasang pada bahagian atas dan bawah penukartertib, bekalan arus terus akan mula mengalir ke. Motor dc atau motor arus searah sebagaimana gambar diatas memperlihatkan sebuah motor dc yang memiliki tiga komponen utama : Untuk kasus motor dc kecil kutub utara dan selatan berganti lokasi saat dinamo berputar. Bagian utama motor dc adalah statos dan rotor dimana kumparan medan pada motor dc disebut stator (bagian yang tidak berputar). Hasilnya adalah bahwa pada dasarnya ada tiga jenis motor dc yang tersedia. Sebelumnya motor dc ini mempunyai dua bagian yang utama. Motor dc memiliki dua bagian penting.

Keuntungan utama motor dc adalah dalam hal pengendalian kecepatan motor dc tersebut, yang tidak mempengaruhi kualitas pasokan daya.

Ketika armature ditempatkan dalam medan magnet yang dihasilkan oleh magnet maka armature diputar dengan menggunakan arus searah. Stator adalah bagian motor yang tidak. Untuk kasus motor dc kecil kutub utara dan selatan berganti lokasi saat dinamo berputar. Gambar rajah berikut menunjukkan motor dc dwikutub ringkas dengan berus. Motor dc terdiri dari dua bagian, stator yang merupakan bagian diam dan rotor yang merupakan bagian yang berputar. Komponen utama yang selanjutnya adalah commutator motor dc. Motor dc tersusun dari dua bagian yaitu bagian diam (stator) dan bagian bergerak (rotor). Motor dc adalah motor listrik yang memerlukan suplai tegangan arus searah pada kumparan medan untuk diubah menjadi energi gerak mekanik. Fungsi utama pwm pada aplikasi motor dc adalah untuk mengatur kecepatan putar motor. Kontrusi motor arus searah (motor dc) memiliki 8 bagian utama, yaitu : Motor dc atau motor arus searah sebagaimana gambar diatas memperlihatkan sebuah motor dc yang memiliki tiga komponen utama : Namun, pergerakkan yang terjadi harus memiliki sumber arus listrik dc atau searah. Bahagian utama motor elektrik termasuk stator dan pemutar, satu siri gear atau tali pinggang, dan galas untuk mengurangkan geseran.

Dc motor ini biasanya menghasilkan sebuah putaran per menitnya yang mana lebih sering dikenal dengan istilah revolutions per minute dan biasanya bisa dibuat berputar sesuai dengan arah jarum jam. Motor dc adalah jenis motor listrik yang bekerja menggunakan sumber tegangan dc. Komponen utama dari motor dc adalah winding/liltan, magnet, rotors, brushes, stator dan sumber arus searah (arus dc). Berus karbon diperbuat daripada karbon, dipasang pada bahagian atas dan bawah penukartertib, bekalan arus terus akan mula mengalir ke. Motor dc merupakan suatu keluaran dari sistem yang berfungsi untuk merubah besaran listrik menjadi besaran mekanik.

Cara Membina Generator 8 Langkah Dengan Gambar Ensiklopedia 2021
Cara Membina Generator 8 Langkah Dengan Gambar Ensiklopedia 2021 from 10steps.org
Bahagian utama motor elektrik termasuk stator dan pemutar, satu siri gear atau tali pinggang, dan galas untuk mengurangkan geseran. Pada motor dc kumparan medan disebut stator sebagi bagian yang tidak berputar dan kumparan jangkar disebut rotor sebagai bagian yang berputar. Berus karbon diperbuat daripada karbon, dipasang pada bahagian atas dan bawah penukartertib, bekalan arus terus akan mula mengalir ke. Stator adalah bagian motor yang tidak. Fungsi utama pwm pada aplikasi motor dc adalah untuk mengatur kecepatan putar motor. Gambar rajah berikut menunjukkan motor dc dwikutub ringkas dengan berus. Rangka atau gandar, kutub medan, sikat arang, jumparan medan, jangkar, kumparan jangkar, celah udara, dan. Dua bagian tersebut disebut dengan stator dan rotor.

Rangka atau gandar, kutub medan, sikat arang, jumparan medan, jangkar, kumparan jangkar, celah udara, dan.

Fungsi utama pwm pada aplikasi motor dc adalah untuk mengatur kecepatan putar motor. Kontrusi motor arus searah (motor dc) memiliki 8 bagian utama, yaitu : Dua bagian tersebut disebut dengan stator dan rotor. Komponen utama yang selanjutnya adalah commutator motor dc. Sebuah motor dc memiliki dua bagian utama yaitu stator dan rotor. Bagian utama roda sepeda motor. Keuntungan utama motor dc adalah dalam hal pengendalian kecepatan motor dc tersebut, yang tidak mempengaruhi kualitas pasokan daya. Sebelumnya motor dc ini mempunyai dua bagian yang utama. Motor dc merupakan suatu keluaran dari sistem yang berfungsi untuk merubah besaran listrik menjadi besaran mekanik. Bahagian utama motor at terdiri daripada angker,penukartertib ,kutub medan dan berus karbon. Dinamo silinder terhubung ke as untuk menggerakkan beban. Stator merupakan bagian motor yang tidak bisa berputar sementara rotor adalah bagian yang dapat berputar, terdiri dari kumparan jangkar. Motor dc atau motor arus searah sebagaimana gambar diatas memperlihatkan sebuah motor dc yang memiliki tiga komponen utama :

Keuntungan utama motor dc adalah sebagai pengendali kecepatan, yang tidak mempengaruhi kualitas pasokan daya. Motor dc atau motor arus searah sebagaimana gambar diatas memperlihatkan sebuah motor dc yang memiliki tiga komponen utama : Motor elektrik dc dengan berus merupakan sejenis motor elektrik dengan penukar tertib (komutator) terbina dalam yang direka untuk menggunakan punca arus terus. Keuntungan utama motor dc adalah dalam hal pengendalian kecepatan motor dc tersebut, yang tidak mempengaruhi kualitas pasokan daya. Motor dc adalah jenis motor listrik yang bekerja menggunakan sumber tegangan dc.

Perbezaan Antara Dc Motor Dan Dc Generator Dc Motor Vs Dc Generator 2021 Teknologi
Perbezaan Antara Dc Motor Dan Dc Generator Dc Motor Vs Dc Generator 2021 Teknologi from i.ytimg.com
Kontrusi motor arus searah (motor dc) memiliki 8 bagian utama, yaitu : Motor dc memiliki dua bagian penting. Motor dc, atau dalam istilah lain disebut motor arus searah, merupakan suatu perangkat yang sebenarnya ada di sekitar kita. Bagian utama roda sepeda motor. Motor dc adalah motor listrik yang dialiri sumber arus searah pada kumparan medan untuk menjadikannya energi mekanik.hampir sama dengan motor ac, kumparan medan yang bergerak disebut motor dc memiliki 3 bagian utama untuk berputar antara lain Motor dc memerlukan suplai tegangan yang searah pada kumparan medan untuk diubah menjadi energi mekanik. Motor dc terdiri dari dua bagian, stator yang merupakan bagian diam dan rotor yang merupakan bagian yang berputar. Kita sudah mengerti komponen utama motor dc, konstruksi dasar motor dc, bagian rotor motor dc dan yang terakhir kita membahas secara.

Stator merupakan bagian motor yang tidak bisa berputar sementara rotor adalah bagian yang dapat berputar, terdiri dari kumparan jangkar.

Fungsi utama pwm pada aplikasi motor dc adalah untuk mengatur kecepatan putar motor. Keuntungan utama motor dc adalah dalam hal pengendalian kecepatan motor dc tersebut, yang tidak mempengaruhi kualitas pasokan daya. Bagian utama roda sepeda motor. Motor dc memiliki dua bagian penting. Motor dc terdiri dari dua bagian, stator yang merupakan bagian diam dan rotor yang merupakan bagian yang berputar. Kerja motor dc ini dipengaruhi oleh dua bagian utama. Kita sudah mengerti komponen utama motor dc, konstruksi dasar motor dc, bagian rotor motor dc dan yang terakhir kita membahas secara. Motor dc, atau dalam istilah lain disebut motor arus searah, merupakan suatu perangkat yang sebenarnya ada di sekitar kita. Motor dc memiliki 3 bagian utama untuk berputar antara lain: Berus karbon diperbuat daripada karbon, dipasang pada bahagian atas dan bawah penukartertib, bekalan arus terus akan mula mengalir ke. Dc motor ini biasanya menghasilkan sebuah putaran per menitnya yang mana lebih sering dikenal dengan istilah revolutions per minute dan biasanya bisa dibuat berputar sesuai dengan arah jarum jam. Rangka atau gandar, kutub medan, sikat arang, jumparan medan, jangkar, kumparan jangkar, celah udara, dan. Motor dc adalah motor listrik yang memerlukan suplai tegangan arus searah pada kumparan medan untuk diubah menjadi energi gerak mekanik.

Related : Bahagian Utama Motor Dc - Motor dc memiliki 3 bagian atau komponen utama untuk dapat berputar sebagai berikut..